Краткое описание структурной схемы ФСС

Показать схему

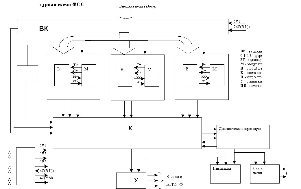
Входные ключи (ВК) предназначены для передачи на ФСС информации от устройств автоблокировки (АБ) или электрической централизации (ЭЦ), определяющей параметры формируемого сигнала. Структура ВК блока включает в себя схему контроля входных ключей на пробой, которая определяет снижение сопротивления постоянному току перехода коллектор - эмиттер выходного транзистора оптронного ключа в закрытом состоянии. При исправности входных ключей эта схема формирует контрольный сигнал OUTTEST, соответствующий сигналу INTEST. Отсутствие сигнала OUTTEST или его несоответствие сигналу INTEST запрещает прохождение частоты контроля Fк на элементы сравнения схемы контроля.

Каждый из 3-х комплектов схемы выбора (В) обеспечивает формирование стробирующих сигналов, определяющих номера формируемых в схеме модулятора (М) кодовых сигналов первого и второго подканалов фазоманипулированного сигнала (ФМС).

Каждый из 3-х комплектов модулятора осуществляет двукратную фазоразностную манипуляцию кодовых сигналов с несущей частотой (174,38+-0,10) Гц. Это позволяет передавать информацию по двум подканалам. Также в схеме М формируется суммарный сигнал методом сбора информации с контрольных точек данного комплекта модулятора на линейной схеме сложения этих сигналов по модулю 2 и формирования на выходе этой схемы сигналов КТ и КТ для передачи их в схему контроля.

ФМС с 1-го и 3-го комплектов М ФМС1 и ФМС3 подаются на выходные ключи, расположенные в схеме контроля ячейки “К”.

Выходной ключ открывается схемой контроля при исправной работе не меньше чем двух комплектов М и входных ключей.

Анализ исправности работы комплектов М осуществляется путем попарного сравнения сигналов контрольных точек КТ и КТ на 1-й ступени схемы контроля и анализа результата 1-й ступени контроля на 2-ой ступени схемы контроля.

Усилитель мощности УМ обеспечивает усиление сформированного сигнала для передачи через выходной трансформатор БТКУ-Ф (черт.36981-650-00) в рельсовую цепь. При наличии выходного сигнала обеспечивается индикация.

Для диагностики работы в ФСС предусмотрены два встроенных диагностических реле ЧО (частичный отказ) и ПО (полный отказ), контакты которых подключаются к устройствам диспетчерского контроля (ДК) и (или) к устройствам диагностики поста ЭЦ с выводом индикации на пульт дежурного. При исправном ФСС контакты ЧО и ПО замкнуты. При отказе одного из трех комплектов формирователей (Ф) контакты ЧО разомкнуты, ПО - замкнуты. При отказе двух или трех комплектов Ф контакты ЧО и ПО - разомкнуты.

Наличие на выходе ФСС информационного сигнала обеспечивается только при совпадении контрольных последовательностей КТ1 и КТ2’, КТ2 и КТ3’, КТ3 и КТ1’ и в случае несовпадения одной из трех этих последовательностей. В случае несовпадения двух из трех этих последовательностей схема контроля прекращает передачу динамического сигнала на свой выходной ключ, без которого ФМС не попадет на вход усилителя мощности.

Назад Главная



Hosted by uCoz